産品中(zhong)心
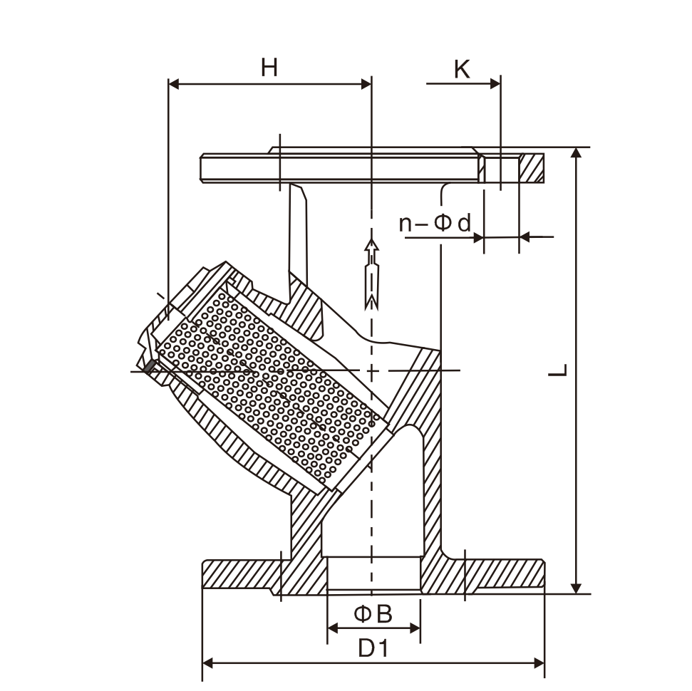
主要外形尺(chǐ)寸
|
DN(mm) |
NPS(in) |
H |
K |
D1 |
n-Φd |
|
|
80 |
3 |
305 |
96 |
160 |
200 |
8-18 |
|
100 |
314 |
220 |
180 |
220 |
||
|
125 |
5 |
245 |
||||
|
150 |
6 |
470 |
250 |
240 |
||
|
200 |
8 |
543 |
295 |
338 |
11-30 |
Copyright © 2022-2023 南京博(bó)高閥門有限公司(si) 版權所有 京ICP證000000号(hào)
蘇公網安備 32010202011315号
蘇公網安備 32010202011315号